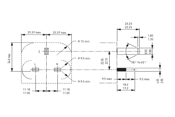
İNGİLİZ FİŞİ - TOPRAKSIZ
BEYAN AKIMI : 3 / 5 / 10 /13 A
BEYAN GERİLİMİ: 250V
TOPRAKLAMA SINIFI: TOPRAKSIZ
FİŞ BAĞLANTI TİPİ: SÖKÜLEMEYEN
KUTUP BİLGİSİ: 2P
İZOLASYON: PVC
PİN ÇAPI: Ø 7,92mm
BELGE: DEKRA / CB SERTİFİKASI
0212 577 72 35
WhatsApp
BEYAN GERİLİMİ: 250V
TOPRAKLAMA SINIFI: TOPRAKSIZ
FİŞ BAĞLANTI TİPİ: SÖKÜLEMEYEN
KUTUP BİLGİSİ: 2P
İZOLASYON: PVC
PİN ÇAPI: Ø 7,92mm
BELGE: DEKRA / CB SERTİFİKASI
| Kablo Tipi Cable type |
|---|
|
HO3VVH2-F / HO3V2V2H2-F HO3VVH2-F / HO3V2V2H2-F HO3VVH2-F / HO3V2V2H2-F HO3VVH2-F / HO3V2V2H2-F |
| Kablo Kesit Nominal crosssection |
|---|
| mm² |
|
2x0,50 2x0,75 2x0,75 2x1 |
| Dış Çap (Yaklaşık) Overall Diameter (approx.) |
|
|---|---|
| Min - mm | Max - mm |
|
3,0x4,9 3,2x5,2 3,7x6 3,9x6,2 |
3,7x5,9 3,8x6,3 4,5x7,2 4,7x7,5 |