İNGİLİZ FİŞİ - TOPRAKLI
BEYAN AKIMI : 3 / 5 / 10 /13 A
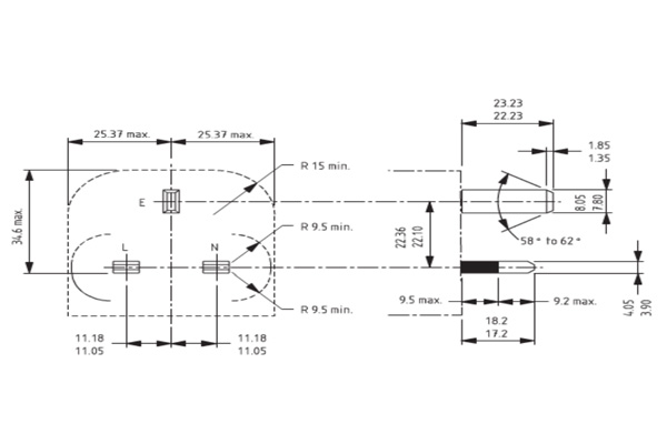
BEYAN GERİLİMİ: 250V
TOPRAKLAMA SINIFI: TOPRAKLI
FİŞ BAĞLANTI TİPİ: SÖKÜLEMEYEN
KUTUP BİLGİSİ: 2P+E
İZOLASYON: PVC
PİN ÇAPI: Ø 7,92mm
BELGE: DEKRA / CB SERTİFİKASI
0212 577 72 35
WhatsApp
BEYAN GERİLİMİ: 250V
TOPRAKLAMA SINIFI: TOPRAKLI
FİŞ BAĞLANTI TİPİ: SÖKÜLEMEYEN
KUTUP BİLGİSİ: 2P+E
İZOLASYON: PVC
PİN ÇAPI: Ø 7,92mm
BELGE: DEKRA / CB SERTİFİKASI
| Kablo Tipi Cable type |
|---|
|
HO3VV-F / HO3V2V2-F HO5VV-F / HO5V2V2-F HO5VV-F / HO5V2V2-F HO5VV-F / HO5V2V2-F |
| Kablo Kesit Nominal crosssection |
|---|
| mm² |
|
3G0,75 3G0,75 3G1 3G1,5 |
| Dış Çap (Yaklaşık) Overall Diameter (approx.) |
|
|---|---|
| Min - mm | Max - mm |
|
5,2 6,0 6,3 7,4 |
6,7 7,6 8,0 9,4 |